ПН-ВС 9:00-21:00
Москва
Ваш город -
Москва
Да
Выбрать другой город
От выбраного города зависят сроки доставки
Официальный Дилер
FAG в России
Доставим
по всей России
Полный
ассортимент бренда
м. Таганская, ул. Большие Каменщики,
д. 6, стр. 1
Как нас найти
Розница:
8 (499) 111-11-12
Перезвоните мне
Юрлица:
8 (499) 450-86-44
Firussia
Официальный сайт
импортера FAG
Каталог
Оптовикам и юрлицам
Новинки
Контакты
0
Справка
Доставка
Оплата
Возврат
0
Поиск
Шарикоподшипники
Роликоподшипники
Втулки
Подшипники
Узлы
Гайки
Шайбы
FAG
Втулки
Особенность
Стяжные
764
Закрепительные
605
Выбрано фильтров:
Показать
Втулки FAG
Показать сначала:
популярные
подешевле
подороже
новинки
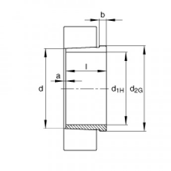
Стяжные втулки AHX330G FAG 187158
Цена: по запросу
Гарантия:
12 месяцев
Сертификаты:
CE
Суффикс:
Описание
ЗАКАЗАТЬ
1
...
37
38
39
×
Укажите Ваш город