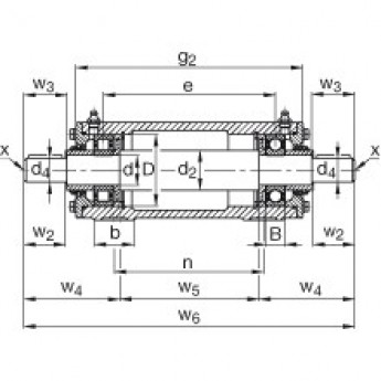
Узлы FAG Стационарные подшипниковые
Цена: по запросу
Гарантия:12 месяцев
Сертификаты:CE
Особенность:Стационарные подшипниковые
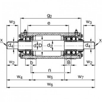
Цена: по запросу
Гарантия:12 месяцев
Сертификаты:CE
Особенность:Стационарные подшипниковые

