Шпиндельные подшипники B7012-C-T-P4S FAG 189664
Артикул: 189664
Цена: по запросу
Есть в наличии
Работаем с 44ФЗ, 223ФЗ, 275ФЗ
Аккредитация на АСТ ГОЗ
Доставка вМосква
Самовывоз из магазина0 руб.
по предварительному заказу
(Москва, Пресненская наб., 12 «Башня Федерация. Москва-Сити», этаж 42)
(Москва, Пресненская наб., 12 «Башня Федерация. Москва-Сити», этаж 42)
Курьером (1-2 рабочих дня)0 руб.
Самовывоз из ПВЗ (1-2 рабочих дня)0 руб.
ХАРАКТЕРИСТИКИ
Особенность -
Гарантия -
12 месяцев
Сертификаты -
CE
Суффикс -
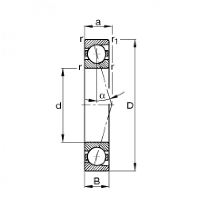
Описание
H -
Высокий предварительный натяг
С -
Угол контакта 15°
E -
Угол контакта 25°
L -
Легкий предварительный натяг
M -
Средний предварительный натяг
P4S -
Класс точности P4S
T -
Массивный сепаратор с окнами из текстолита
UL -
Универсальное исполнение, например, для установки парами, пары подшипников по схеме O и X имеют легкий предварительный натяг
2RSD -
Шпиндельныес обрезиненными шайбами с двух сторон (в подшипниках конструктивных рядов B и HCB)
ОПИСАНИЕ
Шпиндельные подшипники B7012-C-T-P4S от FAG — промышленное решение Шариковые подшипники радиальные, разработанное с учетом требований эксплуатации. Компания Firussia.ru поставляет сертифицированные товары напрямую от производителей
Что получает клиент:
- Сопровождение специалистов от подбора до внедрения
- Гарантированно подлинное оборудование напрямую от бренда
- Короткие сроки поставки благодаря прямым контрактам
- Прозрачные условия сотрудничества
- Оперативная обработка заявок и доставка по РФ
