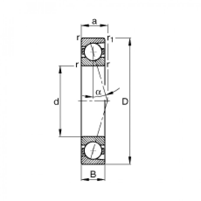
Шпиндельные подшипники B7000-C-T-P4S FAG 189652
Артикул: 189652
Цена: по запросу
Есть в наличии
Работаем с 44ФЗ, 223ФЗ, 275ФЗ
Аккредитация на АСТ ГОЗ
Доставка вМосква
Самовывоз из магазина0 руб.
по предварительному заказу
(Москва, Пресненская наб., 12 «Башня Федерация. Москва-Сити», этаж 42)
(Москва, Пресненская наб., 12 «Башня Федерация. Москва-Сити», этаж 42)
Курьером (1-2 рабочих дня)0 руб.
Самовывоз из ПВЗ (1-2 рабочих дня)0 руб.
ХАРАКТЕРИСТИКИ
Особенность -
Гарантия -
12 месяцев
Сертификаты -
CE
Суффикс -
Описание
H -
Высокий предварительный натяг
С -
Угол контакта 15°
E -
Угол контакта 25°
L -
Легкий предварительный натяг
M -
Средний предварительный натяг
P4S -
Класс точности P4S
T -
Массивный сепаратор с окнами из текстолита
UL -
Универсальное исполнение, например, для установки парами, пары подшипников по схеме O и X имеют легкий предварительный натяг
2RSD -
Шпиндельныес обрезиненными шайбами с двух сторон (в подшипниках конструктивных рядов B и HCB)
ОПИСАНИЕ
Шпиндельные подшипники B7000-C-T-P4S от FAG — решение из линейки Шариковые подшипники радиальные, которое объединяет надежность и высокие эксплуатационные характеристики. Компания Firussia.ru помогает подобрать оптимальные решения под технические требования заказчиков
Что получает клиент:
- Доставка напрямую от производителя без лишних посредников
- Прозрачные условия сотрудничества
- Сертифицированная продукция без подделок
- Профессиональная помощь в выборе и эксплуатации
- Своевременная отгрузка и логистика по России
