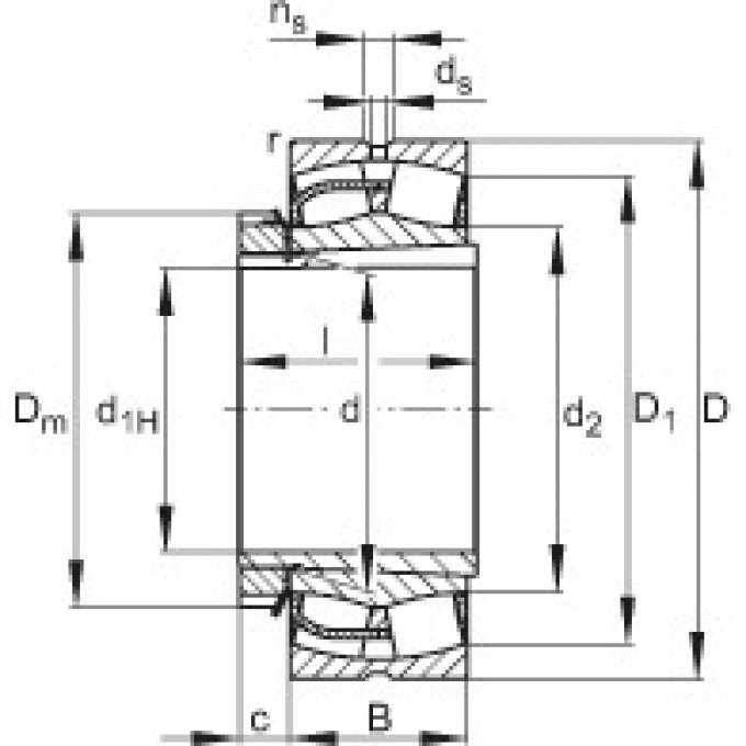
Самоустанавливающийся роликоподшипник 22336-E1-K + H2336 FAG 186029
Артикул: 186029
Цена: по запросу
Есть в наличии
Работаем с 44ФЗ, 223ФЗ, 275ФЗ
Аккредитация на АСТ ГОЗ
Доставка вМосква
Самовывоз из магазина0 руб.
по предварительному заказу
(Москва, Пресненская наб., 12 «Башня Федерация. Москва-Сити», этаж 42)
(Москва, Пресненская наб., 12 «Башня Федерация. Москва-Сити», этаж 42)
Курьером (1-2 рабочих дня)0 руб.
Самовывоз из ПВЗ (1-2 рабочих дня)0 руб.
ХАРАКТЕРИСТИКИ
Особенность -
Гарантия -
12 месяцев
Сертификаты -
CE
Суффикс -
Описание
A -
Изменения во внутренней конструкции
B -
Изменения во внутренней конструкции
M -
Массивный латунный сепаратор с центрированием по телам качения
E1 -
Усиленное исполнение
K -
Коническое отверстие, конусность 1:12
K30 -
Коническое отверстие, конусность 1:30
MA -
Массивный латунный сепаратор с центрированием по наружнему кольцу
MB -
Массивный латунный сепаратор с центрированием по внутреннему кольцу
S -
Кольцевая канавка и смазочные отверстия в наружнем кольце
T41A -
Для вибрационных нагрузок, с более узкими допусками диаметров, радиальный зазор C4
T41D -
Для вибрационных нагрузок, с более узкими допусками диаметров, радиальный зазор C4, отверстие с тонким хромовым покрытием
TVPB -
Массивный сепаратор с окнами из армированного стекловолокном полиамида, центрирование по внутреннему кольцу
ОПИСАНИЕ
Самоустанавливающийся роликоподшипник 22336-E1-K + H2336 от FAG — оборудование класса Роликовые подшипники радиальные, сочетающее прочность и точность. Компания Firussia.ru предлагает продукцию, подходящую для различных отраслей и сфер применения
Преимущества работы с нами:
- Прямые поставки и оптимальные сроки доставки
- Гарантированно подлинное оборудование напрямую от бренда
- Консультации и техническая поддержка на всех этапах
- Выгодные условия поставки и ценообразования
- Быстрое оформление заказа и доставка в любую точку РФ
