Цилиндрические роликоподшипники NUP2312-E-TVP2 FAG 184635
Артикул: 184635
Цена: по запросу
Есть в наличии
Работаем с 44ФЗ, 223ФЗ, 275ФЗ
Аккредитация на АСТ ГОЗ
Доставка вМосква
Самовывоз из магазина0 руб.
по предварительному заказу
(Москва, Пресненская наб., 12 «Башня Федерация. Москва-Сити», этаж 42)
(Москва, Пресненская наб., 12 «Башня Федерация. Москва-Сити», этаж 42)
Курьером (1-2 рабочих дня)0 руб.
Самовывоз из ПВЗ (1-2 рабочих дня)0 руб.
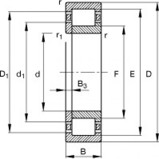
ХАРАКТЕРИСТИКИ
Гарантия -
12 месяцев
Сертификаты -
CE
Суффикс -
Описание
E -
Усиленное исполнение подшипника
K -
Коническое отверстие
S -
Кольцевая канавка и смазочные отверстия в наружнем кольце
С3 -
Радиальный зазор больше нормального
C4 -
Радиальный зазор больше, чем C3
J30P -
С воронением
EX -
Усиленное исполнение подшипника, конструкция приведена в соответствие нормам (детали этих подшипников нельзя заменять деталями подшипников равного размера в исполнении E)
M1 -
Массивный латунный сепаратор из 2-х частей, с центрированием по телам качения
TVP2 -
Массивный сепаратор с окнами из армированного стекловолокном полиамида PA66
JP3 -
Штампованный стальной однотельный сепаратор с центрированием по телам качения
MP1A -
Массивный латунный однотельный сепаратор с центрированием по бортам наружнего кольца
MP1B -
Массивный латунный однотельный сепаратор с центрированием по бортам внутреннего кольца
M1A -
Массивный латунный сепаратор из 2-х частей с центрированием по бортам наружнего кольца
M1B -
Массивный латунный сепаратор из 2-х частей с центрированием по бортам внутреннего кольца
SP -
Класс точности SP
Тип -
ОПИСАНИЕ
Цилиндрические роликоподшипники NUP2312-E-TVP2 от FAG — решение из линейки Роликовые подшипники радиальные, которое объединяет надежность и высокие эксплуатационные характеристики. Компания Firussia.ru поставляет сертифицированные товары напрямую от производителей
Что получает клиент:
- Выгодные условия поставки и ценообразования
- Профессиональная помощь в выборе и эксплуатации
- Своевременная отгрузка и логистика по России
- Короткие сроки поставки благодаря прямым контрактам
- Поставляем исключительно оригинальные изделия
